

【產品概述】
FVPS系列電子靜止式變頻變壓電源,是采用IGBT逆變及數字化處理技術,將當地的三相電能轉變為頻率和電壓符合產品用電要求的三相電能的供電設備。為工業領域提供一種專用特殊電源。該設備具有安裝簡單,運行噪音低,能源利用率高,技術指標精度高,性能穩定可靠,動態特性好,操作簡單,可無人值守,管理運行費用低等優點。
【核心技術要點】
●全新大功率三相IGBT逆變技術,國際先進的大功率逆變變壓器設計技術;
●DSP全數字化控制技術;
●自定義編程技術,使頻率和電壓按設置輸出;
●光纖通訊技術;
●模塊化結構設計,高集成度,抗沖擊能力強;
●內置Modbus通訊協議下的RS485遠程監控接口。
【產品特性】
●每臺產品均通過負荷測試,完全符合各種電機供電要求,能為各種容性、阻性、感性負載提供符合要求的電力;
●采用全新IGBT逆變技術,全數字化控制電路;無需功率因數補償及諧波抑制裝置;
●輸入電壓頻率范圍寬,輸出電壓、頻率穩定度高;正弦波輸出,失真度低;
●突加突御負載時,電壓瞬態變化<±10%,電壓穩態變化率態≤±2%;頻率穩定變化率<0.2Hz,頻率瞬態變化率<±0.5Hz,過載能力強,允許110%過載工作(<1小時);
●適用各種電氣設備,尤其適用于電動機負載;
●關鍵核心部件采用進口器件;效率高達95%以上;
●采用風冷,無需水冷降溫,安裝簡單;噪音低,易操作,易管理,可無人值守;
●具有遠程監測功能,實時顯示電源運行狀態;
●防鹽霧、防潮濕、防霉菌功能;結構形式分為∶固定式和移動式。
【特色功能】
●可靠的計量顯示系統:在電源的輸入端設有輸入電壓、功率電流顯示表和輸入電能表(可選),可連續記錄用電量;在電源的輸出端設有輸出電壓、電流、功率、功率因數、電能頻率顯示系統,可對電源的運行狀態進行監測。
●完善可靠的保護系統:如輸入過電壓保護、欠電壓保護、過電流保護、缺相保護、逆變器過熱保護、電抗器和逆變變壓器過熱保護﹔輸出電壓過低過高保護、缺相保護、過載保護、短路保護、故障報警等多種保護功能。
●控制核心是能夠實現高速運算的微處理器:精心設計的算法可保證系統達到優良的性能,控制單元采用FPGA、CPLD等大規模集成電路和表面焊接技術,使系統具有極高的可靠性。
●控制器與功率單元之間采用光電隔離通訊技術:使低壓部分與高壓部分安全隔離﹔同時應用了先進的電磁兼容技術,具有很強的抗干擾能力,從而確保電源正??煽康毓ぷ鳌?/span>

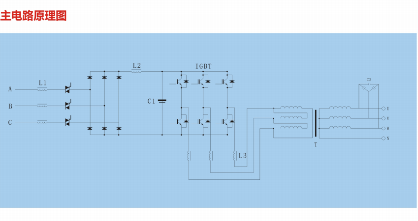
電路結構設計(以輸入50Hz/380V變換為輸出60Hz/450V為例)
●交流電抗器∶在三相電源輸入端設交流電抗器(可選件),防止諧波電流干擾。
●電子開關∶電子開關可防止開機時對濾波電容器充電所產生的大電流沖擊,減輕對電網的影響。
●整流器︰采用三相全橋整流電路,將交流電整流后,輸出紋波很低的直流電壓。
●直流電抗器∶直流電抗器作用是保持整流電流連續性,減小電流脈動值;
●直流濾波器︰采用耐壓與足夠容量的電容器,平滑經濾波電抗器輸出的脈動直流電壓,使其直流電壓穩定。
●三相橋式逆變器:逆變器的工作方式是將直流電變換成交流電,整個變換過程由微處理器控制,當電網輸入電壓降低或負載電流增加時,PWM波(正弦脈寬調制)就會自動調寬,反之變窄。使輸出電壓保持穩定。
●濾波電抗器︰濾波電抗器可以將逆變器輸出的SPWM波形校正,濾掉逆變器所產生的高次諧波分量。
●逆變輸出變壓器與輸出濾波器∶該逆變輸出變壓器是創統公司的專利產品,專利號為︰01262317.2。將三相電壓進行轉換后再經過濾波電路將波形進一步校正后,輸出正弦波電壓。

設備結構組成(以FVPS - 630kVA變頻變壓電源為例,由四個屏組成)





【遠程監控功能】
●產品的RS485接口使用屏蔽雙絞線連接遠程計算機終端,通過遠端通信,現場顯示設備運行狀態、運行參數;
●遠端計算機可與多臺FVPS通訊,可采用總線連接,將多臺SPS按順序接入網絡。這種連接方式適合測量點分布較為集中、未來又擴展需要的情況。

戶外移動(艙體式)變頻變壓電源
●為方便戶外使用,并便于移動,我公司具有移動式室外FVPS變頻變壓電源。
●箱體有隔熱層,獨立循環冷卻系統,運輸移動方便。在客戶中投入使用,受到客戶好評。
下圖為:
630kVA/60Hz移動FVPS電源的內部和外形圖


創統科技有限公司成立于1990年,擁有30多年電源制造歷史,從2004年開始生產岸電電源,2010年主持制定并發布國家標準,是岸電業內的行業旗首。
創統生產的岸電電源產品,使用具有國家專利的專用逆變變壓器,專利號:01262317.2,設備工作效率可達95%以上,僅此一項每年可為用戶節約數十萬元電費。
擁有著作權6項,專利85項。本企業是中國岸電電源行業標桿企業,“國家標準”GB/T25316《靜止式岸電裝置》由本公司主持起草制定,國家標準化管理委員會已批準實施。出版了國內岸電專著《船舶岸電技術》。
獲得“中國機械工業科學技術獎特等獎”、“教育部科學技術進步獎一、二等獎”、“中國電子學會科學技術獎二等獎”等8項科技成果獎項。
岸電設備通過了中國船級社認證并獲得認證證書,獲得國家電力電子產品質量監督檢驗中心檢測證書。
公司可根據您的具體情況,為您提供專岸電系統解決方案和工程案例。
岸電在運行設備總數量,屬國內行業翹楚,近300臺岸電服務于中船、中遠、招商、中海、珠海、煙臺、葫蘆島等各大港口碼頭和企業,獲得一致認可和好評。
嚴格把控產品和項目在售前、售中和售后的質量檢驗,保證品質無虞。
提供遠程在線指導,在1-2小時內解決您的問題。
24小時專線技術客服,及時為您處理產品問題,專業的在線指導,產品技術性問題一對一服務。
國際高端
核心技術
國家標準
制定者
專注制造
眾多案例
專業團隊
快捷服務
青島創統科技發展有限公司創建于1990年。下設研發、生產、采購、品管、行銷、用戶服務、物流、企劃、行政管理等職能中心。在產品設計上,具有CAD計算機輔助設計工作站;在企業管理方面導入ERP制造業電腦管理系統;通過了GB/T19001-2016/ISO9001:2015 質量管理體系、GB/T24001-2016/ISO14001:2015環境管理體系、GB/T45001-2020/ISO45001:2018職業健康安全管理體系的認證。
本企業是中國岸電電源行業標桿企業,“國家標準”GB/T25316-2010《靜止式岸電裝置》由本公司主持起草制定,國家標準化管理委員會已批準實施。另外全國電力電子學標準化技術委員會逆變電源分技術委員會,秘書處設在本公司,負責審查、制定、修訂在逆變電源領域的國家標準。
本公司的船用岸電電源,廣泛的應用于港口碼頭、修造船業,海工平臺、科考執法、工業變頻電源等領域、屬節能換代、高科技產品。